Démolition et reconstruction d’un magasin pour la firme LIDL, à Villefranche-sur-Saône.
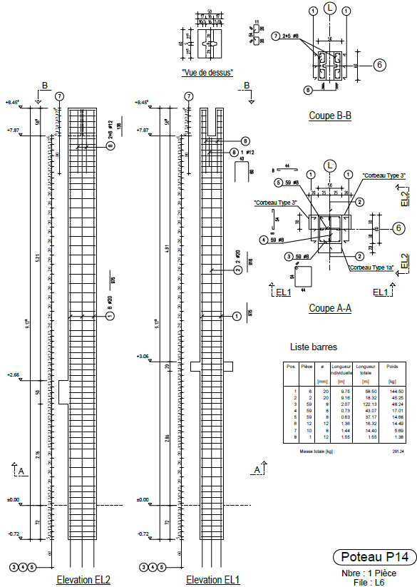
Réalisation de la mission d’Exécution comprenant l’ensemble des plans de coffrage et de ferraillage des éléments béton armé.
Structure sur deux niveaux comprenant la surface de vente à l’étage de 2800m² ainsi qu’une partie parking au rez de chaussée. La façade de l’entrée principale reçoit un mur rideau vitré toute hauteur.
Le plancher intermédiaire est réalisé par dalles alvéolaires reposant sur des poutres béton armé.
Modélisation de la structure aux éléments finis afin de prendre en compte les efforts sismiques dans les poteaux assurant la stabilité de l’ouvrage.
Réalisation d’une rampe courbe d’accès poids lourd et de ses murs de soutènement entièrement en béton armé coulés sur place.








