Réalisation de six bâtiments de logements visant à accueillir les gendarmes du peloton autoroutier de Chanas.
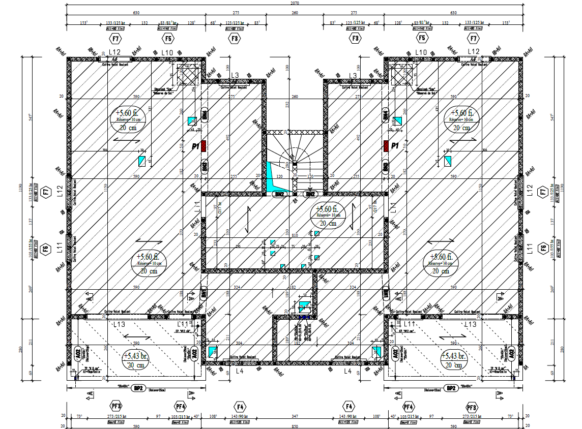
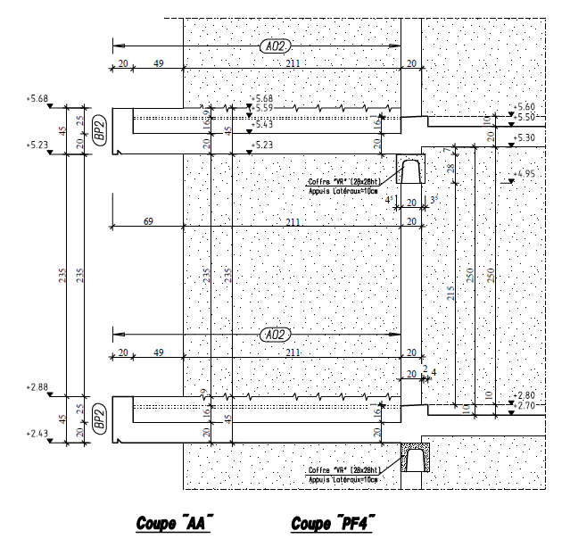
Mission d’Exécution comprenant l’ensemble des plans de coffrage et de ferraillage des bâtiments.
Superstructure sur deux étages entièrement réalisée en blocs agglomérés et surplombée par une toiture en charpente bois.
Réalisation d’un mur de soutènement afin de garantir la stabilité du parc de stationnement.






